吸盘电磁铁:广东深圳亚欣吸盘电磁铁AX1817L-16A13 (2)
GUANGDONG SHENZHEN YAXIN ELECTUONICS SUCTION SOLENOID
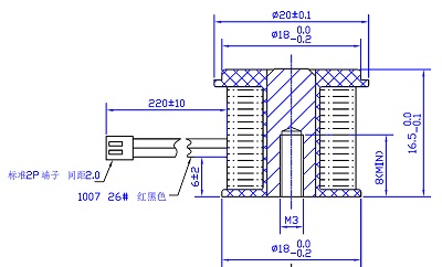
3. 吸盘电磁铁外形图(APPLEARANCE)
3-1 外形尺寸:参照附图。图号: AX1817L-16A13
(DIMENSION SEE THE ATTACHMENT. DRAWING NO. AX1817L-16A13)
外形尺寸:直径18mm,长度17mm
Dimension: diameter 18mm,
length17mm

4. 吸盘电磁铁额定参数(RATED PARAMETER)
4-1 电压(VOLTAGE): DC16V±10%
4-2 电流(CURRENT): 1.23A(at DC24V 20℃)
4-3 功率(WATTAGE): 19.7W
4-4 直流电阻(DC RESISTANCE): 13Ω±10%(周围温度20℃ Ambient temperature 20 ℃)
4-6 工作循环(DUTY CYCLE): 10%
4-7 绝缘等级(I NSULATION CLASS): B
广东深圳吸盘电磁铁:AX1817L-16A13 (2)
详细参数查询请登陆:http://www.yaxinsz.com/showdeteal/?id=714
备注:亚欣电器专业制造电磁铁、电磁阀、电磁泵、框架电磁铁、圆管电磁铁、吸盘电磁铁、保持电磁铁、摆动电磁铁、旋转电磁铁、深圳电磁铁、广东电磁铁、广州电磁铁、顺德电磁铁、中山电磁铁、东莞电磁铁等产品。