电磁铁:广东深圳亚欣单向保持电磁铁系列/AK1240L-12A08 (1)
GUANGDONG SHENZHEN YAXIN ELECTUONICS ONE-WAY KEEPSOLENOID
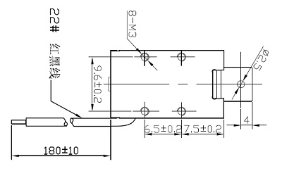
1.单向保持电磁铁产品型号(PRODUCT PART NO.):AK1240L-12A08
2.单向保持电磁铁适用范围(RANGE OF APPLICATION)
AK0729S-12B30系列是单向保持式电磁铁,主要用于电子产品。
AK0729S-12B30 is one way to keep type electromagnet, is mainly used for electronic locks and other electronic products in the narrow space.
3.单向保持电磁铁标准试验条件(STANDARD TEST CONDITION)
3-1 环境(ENVIRONMENT)
周围温度(AMEBIENCE TEMP): 20±2℃
相对湿度(RELATIVE HUMIDITY): 65RH± 5%
大气压(ATMOSPHERIC PRESSURE): 1013mbar
3-2 电源(POWER) :稳定电源(STEADY POWER)
3-3 试验负载(TEST LOAD) :负载(LOAD)
3-4 试验方法(TEST METHOD)
(1)吸引力:滑杆处于垂直位置,负载向上
(ATTRACTING FORCE:PLUNGER TO BE VERTICAL AND LOAD UP)
(2) 保持力:滑杆处于垂直位置,负载向下
(HOLDING FORCE:PLUNGER TO BE VERTICAL AND LOAD DOWN)
广东深圳广州佛山中山东莞保持式电磁铁:AK1240L-12A08 (1)
详细参数查询请登陆:http://www.yaxinsz.com/showdeteal/?id=712
备注:亚欣电器专业制造电磁铁、电磁阀、电磁泵、框架电磁铁、圆管电磁铁、吸盘电磁铁、 保持电磁铁、摆动电磁铁、旋转电磁铁、深圳电磁铁、广东电磁铁、广州电磁铁、顺德电磁铁、中山电磁铁、东莞电磁铁等产品
