深圳亚欣电器

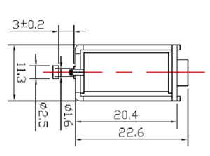
电磁铁:广东佛山酒精测试仪框架电磁铁: AU0419S-03F10 (3)

电磁铁:广东佛山酒精测试仪框架电磁铁: AU0419S-03F10 (3)
GUANGDONG SHENZHEN YAXIN ELECTUONICS FRAME SOLENOID

5. 框架电磁铁电气特性(ELECTRONICAL CHARACTERISTICS)

5-1 力量(FORCE)

3mm克服弹簧阻力

5-2 绝缘电阻(INSULATION RESISTANCE):

线圈和框架间100Ω (DC500V 常规温度/湿度)

BETWEEN COIL AND FRAME DC500V NORMAL TEMP/HUMIDITY, 100Ω MEGGER

5-3 耐电压(DIELECTRIC STRENGTH):

线圈和框架间AC600V(50/60Hz)lMinAC600V(50/60Hz)lSec(击穿电流10mA)

BETWEEN COIL AND FRAME AC600V(50/60Hz)lMin OR AC600V(50/60Hz)lSec(10mA)

5-4 温升(TEMPERATURE RISE):

在额定电压DC3V下,温升为65 Max

(TEMPERATURE RISE) AFTER DC3V APPLIED BY RESISTANCE METHOD 65 deg MAX

5-5 寿命(LIFE):

典型值为20万次(100%通电)

REPETITIVE OPERATION FOR 0.2MILLION CYCLE(100% ED)

5-6 残留吸引力(RESIDUAL MAGNETISM)

DC-3V下,滑杆的重量加上10gf (垂直方向)

AFTER DC-3V APPLIED SHALL BE RETURN AT WEIGHT OFIRON ROD AND 10gf (PERPENDICULAR

DIRECTION)

5-7 端子强度(LEADWIRE STRENGTH)

当施加lkgf (任意方向)时,不允许脱落。

ADDING lKgf(RANDOM DIRECTION) NOT CHIP OFF

5-8 工作温度、湿度(OPERATING TEMP/HUMIDITY):
-40
- +55, 5%RH - 8%RH

广东深圳广州佛山中山东莞框架电磁铁:AU0419S-03F10 (3)
详细参数查询请登陆:http://www.yaxinsz.com/showdeteal/?id=655
备注:亚欣电器专业制造电磁铁、电磁阀、电磁泵、框架电磁铁、圆管电磁铁、吸盘电磁铁、保持电磁铁、摆动电磁铁、旋转电磁铁、深圳电磁铁、广东电磁铁、广州电磁铁、顺德电磁铁、中山电磁铁、东莞电磁铁等产品。

电话直呼
在线客服
发送邮件
联系我们
联系人:曾先生
电话:13923783307
联系人:曾先生
电话:0755-88829201
售前客服
点击这里给我发消息
售后客服
点击这里给我发消息