电磁铁:广东深圳圆管电磁铁:AO1615L-12A40 (2)
GUANGDONG SHENZHEN YAXIN ELECTUONICS TUBULAR SOLENOID
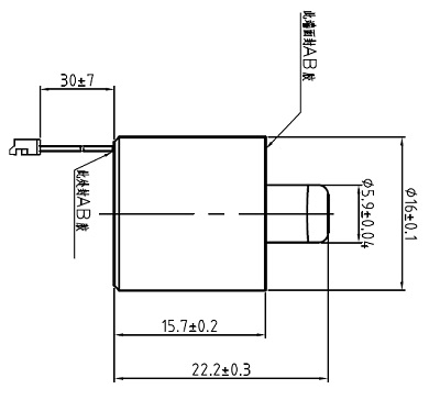
3.圆管电磁铁外形图(APPLEARANCE)
3-1 圆管电磁铁外形尺寸:参照附图。图号: AO1615L-12A40
(DIMENSION SEE THE ATTACHMENT. DRAWING NO. AO1615L-12A40)
总长度58.7mm,圆管直径14mm,滑杆直径6mm。
(TOTAL LENGTH OF 58.7mm PIPE DIAMETER OF 14mm SLIDEBARDIAMETEROF 6mm )

4. 圆管电磁铁额定参数(RATED PARAMETER)
4-1 电压(VOLTAGE): DC12V
4-2 电流(CURRENT): 0.3A(at DC24V 20℃)
4-3 功率(WATTAGE): 3.6W
4-4 使用电压范围: DC12V±10%
4-5 直流电阻(DC RESISTANCE): 40Ω±10%(周围温度20℃)
4-6 工作循环(DUTY CYCLE): 30%通电。
4-7 绝缘等级(I NSULATION CLASS): A类(A CLASS)
广东深圳广州佛山中山东莞圆管电磁铁:AO1615L-12A40 (2)
详细参数查询请登陆:http://www.yaxinsz.com/showdeteal/?id=697
备注:亚欣电器专业制造电磁铁、电磁阀、电磁泵、框架电磁铁、圆管电磁铁、吸盘电磁铁、保持电磁铁、摆动电磁铁、旋转电磁铁、深圳电磁铁、广东电磁铁、广州电磁铁、顺德电磁铁、中山电磁铁、东莞电磁铁等产品