广东深圳亚欣电器框架电磁铁:AU0419L-12A17 (2)
GUANGDONG SHENZHEN YAXIN ELECTUONICS FRAME SOLENOID
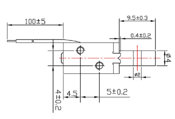
3.框架电磁铁外形图(APPLEARANCE)
3-1 框架电磁铁外形尺寸:参照附图。图号: AU0419L-12A17
(DIMENSION SEE THE ATTACHMENT. DRAWING NO. AU0419L-12A17)
电磁铁框架尺寸:21*9.8*11.3mm,滑杆直径:4mm。电磁铁总长度:24.5mm
( SOLENOID FRAME SIZE:21*9.8*11.3mm SLIDEBARDIAMETEROF: 4mm TOTAL LENGTH OF: 24.5mm )
4. 框架电磁铁额定参数(RATED PARAMETER)
4-1 电压(VOLTAGE): DC12V
4-2 电流(CURRENT): 0.7A(at DC24V 20℃)
4-3 功率(WATTAGE): 8.4W
4-4 使用电压范围: DC12V±10%
4-5 直流电阻(DC RESISTANCE): 17Ω±10%(周围温度20℃)
4-6 工作循环(DUTY CYCLE): 10%通电(ELECTRIFY 10%)
4-7 绝缘等级(I NSULATION CLASS): B类(B CLASS)
广东深圳亚欣框架电磁铁:AU0419L-12A17
(2)
详细参数查询请登陆:http://www.yaxinsz.com/showdeteal/?id=655
备注:亚欣电器专业制造电磁铁、电磁阀、电磁泵、框架电磁铁、圆管电磁铁、吸盘电磁铁、保持电磁铁、摆动电磁铁、旋转电磁铁、深圳电磁铁、广东电磁铁、广州电磁铁、顺德电磁铁、中山电磁铁、东莞电磁铁等产品。
